MARPOSS側頭TT系列屬于觸發式測頭,是專為在機床上需要三維立體測量而設計的。是主要應用于數控銑床、刀具磨和磨床的三維測頭。TT測頭提供非常高的重復精度,出眾的三維測量能力,能夠精確地測量復雜表面,典型的應用有在銑床上加工模具、外殼、渦輪等等。該特性也特別適用在刀具磨和齒輪磨上的涉及有角度的工件。
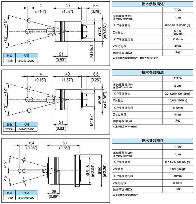
MARPOSS側頭TT系列測頭分為TT25、TT25h、TT60三類,TT25h測頭是大觸發力的TT25產品,允許使用
復雜的或質量大的測桿,在振動大的機床上使用有獨特好處。TT60測頭有很大的行程,特別適合應用在大銑床和鉆床上,在實際的加工中解決需要長測桿的應用方案。
TT測頭兼容各種MIDA標準組件,能和各種傳輸系統配套使用,選擇最佳的應用方案。用耐用的橡膠材料做成的前部墊圈提供出眾的保護能力,使之能適應各種惡劣的機床環境。
MARPOSS側頭TT系列技術參數:


部分產品型號:
|
變壓器ST0.63ACIN380OUT220 |
控制電源變壓器ST1,6Nr:1838/101,6KVA |
變壓器UTW0.075;24V |
離合器EAS10930/E06412/400.505.0 |
|
變壓器GDC0.32380VAC-24VDC |
變壓器GDC0.50變壓器 |
測溫熱電偶791-D-0002E/A838 |
制動器100/891.104.0 |
|
變壓器ST1.6NR.3561/09nEN61556 |
電源ST0,4KVA:0.4PRIM |
變壓器GDSC1,0380-24v |
終端開關080015055.000.5.0703 |
|
變壓器TYP:ST1,6Nr.3561/09N.EN61158 |
電源UTL4,0KVA:4.0PRIM |
變壓器ST1,6 |
離合器k412109309136193/400.605.7S |
|
變壓器UST10400/230VAC1000VA |
電源DC0.4SPRIMV:200-550V |
備件DKL105235/13 |
離合器EAS.COML0118457011490.625.1 |
|
變壓器UST0,63 |
備件UTL4,0NR:1982/05n.EN61558 |
MARXHBELLOFRAM控制變壓器EGN0.13S |
制動器100/891.014.ISO |
|
變壓器變壓器ST0.8;0.8KVA; |
備件ST0,4NR:1983/05n.EN61558 |
備件TYPDC0.4SNr:253/03PRIMV |
電磁安全制動器電磁安全制動器100/891.014.1SO |
|
控制變壓器ST1、0、Nr.:114/08 |
備件DC0,4SNR:1984/05n.EN61558 |
減壓閥T50-069 |
制動器E3122626X10689314/802.420.3 |
MARPOSS側頭TT系列相關產品圖片:
